◆ Model: YN40 YN60 YN60 YN100 YN100 yn150
◆ Usus: Hoc series instrumenta habent bonum inpulsa resistentiam, praesertim idoneam loca fortis vibrationis environmental machinatione et potest sustinere violenta pulsus, inpulsa et subitum unloading medium pressura. Est idoneam ad mensuræ pressure liquidam, Gas vel vapor quod non habet periculum de CREPITUS, non crystallize, non solidatur, et non habet in aeris et aeris et mixturae. Instrumentum indicat firmum et patet lectionum. Est late in gravibus machinery, metalla, PETROLEUM, eget industria, metallurgy, electrica potentia et alia departments.
◆In practical application, according to the special characteristics of various media (such as oil ban, fireproof, corrosion-resistant, etc.), the requirements of the instrument are different, so this series of instruments derive many corresponding special instruments, their nominal diameter, installation type, connector thread, accuracy level, measuring range, etc. are the same as the seismic (shock) pressure gauge, mainly there are two categories:
2.1 idoneam ad mensuræ pressura de flammabiles et explosivae media. Est stricte prohibitus ad contactus cum pinguibus flammabiles substantiae. Degreasing curatio est ante relinquens fabricae et probata esse liberum a grease.
2.1.1 Yon series inpulsa repugnans (seismic) Oxygeni pressura MODULUS
2.1.2 Yhn series inpulsa repugnans (seismic) hydrogenii pressura MODULUS
2.1.3 Yyn series inpulsa repugnans (inpulsa) acetylene pressura MODULUS
2.2 De materiae usus repugnant ad corrosio medium vel instrumentum non habet effectum in medium, et ut deprehendatur elementa et interfaces sunt munda et libera.
2.2.1 Yan seriem inpulsa repugnans (concursorum) Ammonia pressura MODULUS
2.2.2 Ydqn series inpulsa repugnans (concursorum) NITROGENIUM pressura METIOR
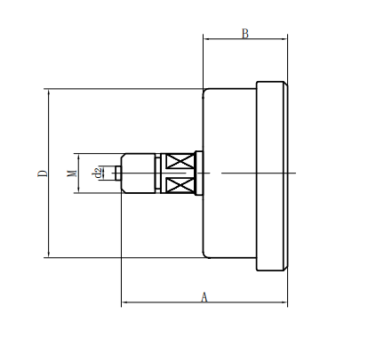
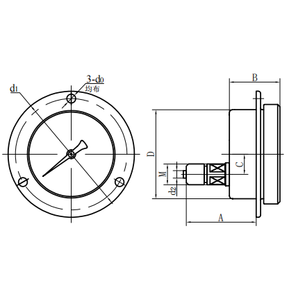
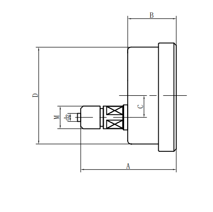
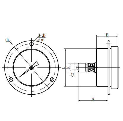
YN series inpulsa-probationem pressura MODULUS
Model: 40mm (1.5 "), 50mm (II"), 60mm (2.5 "), 100mm (IV"), 150mm (VI ")
Introductio:
Series instrumenta optimum inpulsa resistentia, firmum indication, patet lectionum, et praecipue idoneam usum in locis cum intensa mechanica vibrationum. Et potest sustinere vehementissam pulsationes, impingit et subita onus reductionibus medii.its inpulsa-absorbing mechanism et liquor-repleti consilio (typically gauge et silicone oleum) enable hoc pressura et in universa et adversa condiciones. Ex suo elasticitate et accurate, late in variis industries.



















































































































