◆ Model: year LX ye100 ye150
◆ Usus: membrana arca pressura METIOR est etiam vocatur Micro pressura MODULUS. Est idoneam ad mensuræ humilis micro-pressure of vapores aut vapores sine CREPITUS periculo, non-crystallization, non-condensationem, et non-mordy effectus in aeris et aeris.
◆ technica parametri :
| Model Number | Jocus | Ye100 | Ye150 | |
| Nominis diameter | Φ 60 | Φ 100 | Φ 150 | |
| Adscendens type | Ⅰ | * | * | * |
| Ⅱ | / | * | * | |
| Ⅲ | * | / | / | |
| Ⅳ | / | * | * | |
| Ⅴ | * | / | / | |
| Thread Connector | M14 × 1.5 | M20 × 1.5 | ||
| Genus accuracy | 1.6 ANTOLIUM; 2.5 | |||
| Mensuram range ( kpa ) | -40 ~ 0 -25 ~ 0 -16 ~ 0 -10 ~ 0 -6 ~ 0 -4 ~ 0 0 ~ IV 0 ~ VI 0 ~ X 0 ~ XVI 0 ~ XXV 0 ~ 40 -2 ~ II -3 ~ III -5 ~ V -8 ~ VIII -12 ~ XII -20 ~ 20 | |||
| Environmental conditionibus usum | Tempor : -25 ℃ ~ 55 ℃; Relativus humiditas : ≤ 80 % | |||
| Vibrationis Rating | V · H · 2 | |||
| Membrana arca materiales | Qsn4-0.3 | |||
| Praesidium genus | Ip54 | |||
| Exsequendam signa | JB / T (IX) CCLXXIV | |||
| Nota: I. iuncturam relatorum potest customized secundum user requisita. | ||||
◆ externa dimensiones:
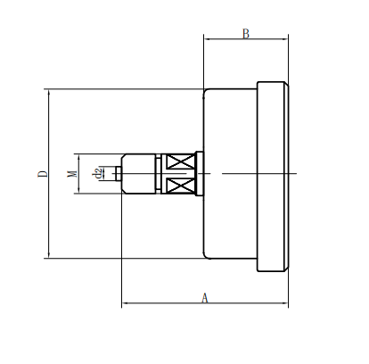
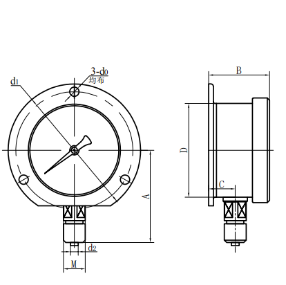
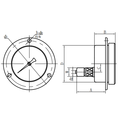
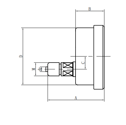
| Radiales Direct Type (ⅰ) | Axial eccentrici recta type (ⅱ) |
| Axial concentric Direct Type (III) | Axial eccentrici inserta type (iv) |
| Axial concentricae Type (V) | Radiale convexa Type (VI) |
| Model Number | Altiore dimensiones ( mm ) | ||||||
| A | B | C | D | E | D2 | M | |
| Jocus -Ⅰ | 58 | 35 | 11 | φ 60 | 5 | φ 4 | M10 × 1 |
| Jocus -Ⅲ | 58 | 35 | / | φ 60 | 5 | φ 4 | M10 × 1 |
| | | | | | | | |
| Ye100 -Ⅰ | 93 | 50 | 16.5 | Φ 100 | 16.5 | φ 6 | M20 × 1.5 |
| Ye100 -Ⅲ | 85 | 50 | / | Φ 100 | 16.5 | φ 6 | M20 × 1.5 |
| | | | | | | | |
| Ye150 -Ⅰ | 118 | 53 | 18.5 | φ 150 | 19 | φ 6 | M20 × 1.5 |
| Ye150 -Ⅲ | 96 | 53 | / | φ 150 | 19 | φ 6 | M20 × 1.5 |
| | | | | | | | |


















