◆ exemplar: YZS102
◆ exemplar: YZS102
◆ Technical parametri:
| Exemplar | YZS102 |
| Nominis diameter | Φ 100 |
| Apta relatorum | M20 × 1.5 ANTOLIUM; G3 / VIII |
| Genus accuracy | 1.6 |
| Mensurae ( kpa ) | 0 ~ M 0 ~ MCC 0 ~ MDC 0 ~ 2500 |
| Environmental conditionibus usum | Temperature: -5 ° C 60 N ° C Relativum humiditas: Non plus quam LXXX%. |
| Temperatus effectus | (Deviationem a 20 ° C ± 5 ° C cum usura) est maior quam 0,4% / X N ° C |
| pondus | 0.7kg |
| Vibrationis resistentia Rating | V · H · 3 |
| Ingressu praesidio | Ip54 |
| Urgeant vexillum | GB / T1226 |
| Nota: 1 . Et iuncturam filum potest customized secundum user requisita. | |
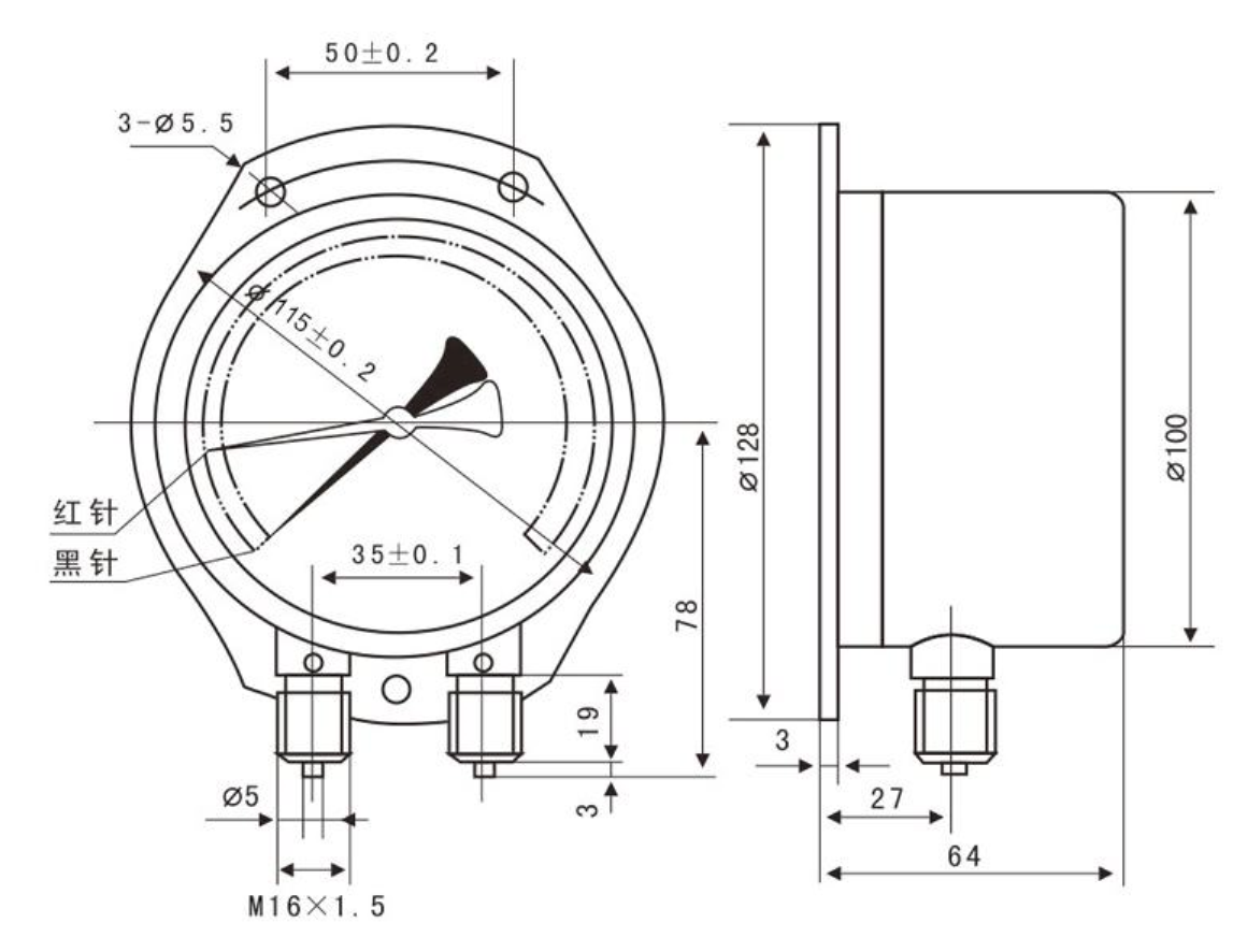
◆ Exterior dimensiones:
Wuxi Huihua specialis instrumentation Co., Ltd. was established in December 2001, the registered capital is 5 million yuan, the existing staff of more than 50 small and medium-sized joint-stock enterprises.
In comitatu specialitas in productione variis generum specialem instrumenta, alternative ad localization of importari instrumenta. Ad seismic pressura MODULUS, seismic electrica contactus pressura MODULUS, immaculatam ferro pressura MODULUS, Diaphragma corrosio-repugnant pressura MODULUS, Marine Products METIOR et alia series ut pelagus products. In ex agro instrumenta, nos developed variis genera pressura transmitters, pressura moderatoris, digital pressura gauges et sic est. Sunt plus quam XXX series et MMM specifications. Supple products sunt late in PETROLEUM, chemical, chartam, metallurgy, metalla, chemical fibra, electrica potentia, cibo, et alias alias, et plus quam 2,000 societate, et in alias, et plus quam 2,000 societate, et plus aliter et magis quam 2,000 societate, et in alias, et plus quam 2,000 societate, et in alias, et plus quam 2,000 societate, et plus quam in amica, et statuam, et statuam in alium, et statuam in afficit, et statuam a corporate notam et statuam, et statuam a corporatum notam et statuam, et statuam a corporatum notam et statuam, et statuam a corporatum notam et statuam, et statuam a corporatum notam et statuam, et statuam a corporatum notam et statuam, et statuam a corporatum notam et statuam, et statuam a corporatum notam et statuam, et statuam a corporatum notam.
Sicut YZS series duplici-acus duplici-tubo pressura Gauges Manufacturers, Stricto qualitas control processus in loco per vestibulum ratio ut consistent quale producuntur.
Pressurae fauces sunt inter praecipua instrumenta in quavis ambitu industriali, mechanico vel processu. Praebent mensurationem realem temporis fluidi vel pressionis gasi, operariorum ut monitor rationi perficiendi eff......
Read MoreIntelligentes Pressura Gauge Fundamenta Pressura gauges instrumenta essentialia per infinitas industrias adhibentur ut pressuram vaporum vel liquorum intra systematis metiendi et ostendant. Haec machinae func......
Read MoreDifficilis pressio transmitters essentialia instrumenta in modernis processu industrialis exstant moderationis, mensurae, et rationum vigilantiae. Hae cogitationes differentiam pressionis inter duo puncta in systemate......
Read More