◆ Model: y ye y ye-mg y ye y ye y ye y ye y ye y y y-ms y y, ms y intelligerent
◆ Application: Ob indirecte measurement structuram, in diaphragm pressura METIOR est idoneam ad mensuræ pressura liquorum, viscosity, facile crystallize, fortis corrosio et caliditas. Solatione diaphragma habet varietate materiae ad aptet ad varietate diversis mordax media.
Haec instrumenta sunt maxime in eget fibra, synthetica alimentorum fibra, PETROLEUM, tydeing, alkali, acidum, cibum, medicina, constructione, metalla, et alias industries.
The gauge head of this type of instrument can be used in a variety of series: general pressure gauge, shock-resistant pressure gauge, a variety of electric contact pressure gauge, a variety of shock-resistant electric contact pressure gauge, pressure transmitter, remote pressure gauge, digital pressure gauge, pressure controller and so on.
◆ structuram principium:
Hoc instrumentum est indirecta measurement. Solation diaphragma deformatio in pressura in metiri medium, et signa liquore est pressurized et pressura est traducitur ad pressura.
Et signa liquor est pressurized, et pressura est conducted ad deprehendatur instrumentum, quod ostendit valorem de metiri medium pressura.
◆ technica parametri :
| Meter Caput Model | Variis genera pressura instrumenta, pressura transmitters, pressura moderatoris, etc. | |||
| Genus accuracy | 1.6 ANTOLIUM; 2.5 | |||
| Genus accuracy ( MPA ) | 0 ~ 0.1 0 ~ 0.16 0 ~ 0,25 0 ~ 0,4 0 ~ 0.6 0 ~ I 0 ~ 1.6 0 ~ 2.5 0 ~ IV 0 ~ 6 0 ~ X 0 ~ XVI 0 ~ XXV 0 ~ 40 | |||
| Materiae materiales | nicknames | Materia | nicknames | Material |
| 1 | 0CR18NI12MO2 | 5 | Casterloy C (H276C) | |
| 2 | Sus304 | 6 | Monel Alloy (Cu30NI70) | |
| 3 | Sus316 | 7 | Tantalum (ta) | |
| 4 | Sus316l | 8 | Fluoroplastic (PTFE) | |
| Isolator Material | 1Cr18ni9; CCCIV; CCCXVI; 316L; F4; PVC, etc. | |||
| Signans Gasket Material | NBR; Medical Silicone Flexilis; Ptfe; Graphite; FluorisExidomer; etc. | |||
| Filling conduction fluidum | Methyl Silicone oleum, vegetabilis oleum, glycerin, fluorinated oleum, etc. | |||
| caliditas effectus | Quia scelerisque expansion de PROLIXUS fluidi et rigiditate diaphragma sunt ad temperatus, errorem valorem est 0.1% / ° C cum operating temperatus deviat de XX ± V ° C. | |||
| corrosio praesidium | Hoc perficientur includit corrosio characteres de environment et mensuræ medium et materiam de Isolator, diaphragma sheet et signantes washer potest electus secundum condiciones usus. | |||
| DISTINCTIO | Hose coniuncta Diaphragm pressura MODULUS In installation, si mensurae punctum et pressura MAGE est ad diversas iuga, eius liquidum gradu differentia generatae a pressura differentia △ P et afficit mensuram gravitatis exiguam in modum liquidam ibidem gradu differentia. | |||
| Exsequendam signa | J. / T (VIII) DCXXIV | |||
| Note: I, in iungo filo potest customized secundum user requisita; II, connectens LABIUM potest esse customized secundum User Requisita Lacge Latin. | ||||
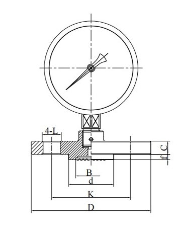
◆ Type magnitudine et installation Schematic:
| (M) Flat interface | (MF) Open Facies LABIUM |
























