◆ Model: YJY100 YJY150
◆ Usus: absoluta pressura refers ad pressura quae est altior quam absoluta pressura nulla cum absoluta pressura nulla (absolutum vacuo) ut referat. Absoluta pressura valorem exprimi per haec formula:
Absolutum pressura valorem = vacuo (negative pressura) valorem atmosphaerica valorem
Absoluta pressura MODULUS est maxime ad monitor vel metiretur absolutum pressura in aliquo vacuo Equipment (E.G. vacuum packaging machinatione, armorum pro CALRITORIGNATIO pressura et vapor pressura liquidae, etc.).
◆ Opus pressura: Static onus adhibetur ad 3/4 de superius terminum valorem mensurae, commutationem onus est usus ad 2/3 de superius modus valorem et mensurae, et brevi temporis pressura est usus ad superiorem modum valorem mensurae.
◆ technica parametri :
| Model Number | Yjy100 | Yjy150 | |
| Nominis diameter | Φ 100 | Φ 150 | |
| Formam installation | Ⅰ | * | * |
| Ⅱ | * | * | |
| Ⅳ | * | * | |
| Ⅵ | * | * | |
| Thread Connector | M20 × 1.5 | ||
| Genus accuracy | 0.4 ANTOLIUM; 1.0 ANTOLIUM; 1.6 ANTOLIUM; 2.5 | ||
| Mensuram range ( MPA ) | 0 ~ 0.1 0 ~ 0.16 0 ~ 0,25 0 ~ 0,4 0 ~ 0,6 0 ~ I 0 ~ 1.6 0 ~ 2.5 0 ~ IV 0 ~ VI 0 ~ 10 | ||
| Environmental conditionibus usum | Temp: -40 ℃ ~ 70 ℃ (accuracy genus: 0.4 ) -50 ℃ ~ 160 ℃ (accuracy genus: 1.0 ~ 2.5 ) relativus humiditas : ≦ LXXX% | ||
| Vibrationis Rating | V · H · 2 ANTOLIUM; V · H · 3 | ||
| praesidium genus | Ip65 | ||
| Exsequendam signa | | ||
| Nota: I. iuncturam relatorum potest customized secundum user requisita. | |||
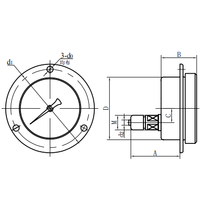
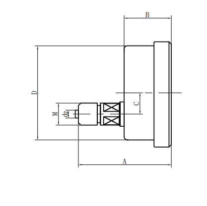
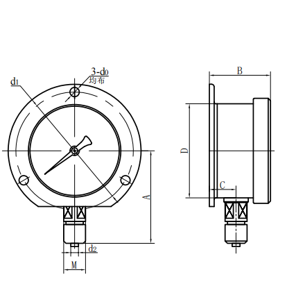
◆ externa dimensiones:
|
Radiales Direct Type (ⅰ) | Axial eccentrici recta type (ⅱ) |
| Axial concentric Direct Type (III) | Axial eccentrici inserta Type (IV) |
| Model Number | Altiore dimensiones ( mm ) | |||||||
| A | B | C | D | D0 | D1 | D2 | M | |
| Yjy100 -Ⅰ | 90 | 48 | 15 | Φ 100 | / | / | Φ 6 | M20 × 1.5 |
| Yjy100 -Ⅱ | 83 | 44 | 34 | Φ 100 | / | / | Φ 6 | M20 × 1.5 |
| Yjy100 -Ⅳ | 68 | 44 | 34 | Φ 100 | Φ 6 | Φ 118 | Φ 6 | M20 × 1.5 |
| Yjy100 -Ⅵ | 90 | 48 | 15 | Φ 100 | Φ 6 | Φ 118 | Φ 6 | M20 × 1.5 |
| Yjy150 -Ⅰ | 117 | 51 | 16.5 | Φ 150 | / | / | Φ 6 | M20 × 1.5 |
| Yjy150 -Ⅱ | 92 | 52 | 55 | Φ 150 | / | / | Φ 6 | M20 × 1.5 |
| Yjy150 -Ⅳ | 69 | 52 | 55 | Φ 150 | Φ 6 | Φ 165 | Φ 6 | M20 × 1.5 |
| Yjy150 -Ⅵ | 117 | 53 | 28 | Φ 150 | Φ 6 | Φ 165 | Φ 6 | M20 × 1.5 |
























