◆ Technical parametri:
| Exemplar | Cybn100 | Cybn150 |
| Nominis diameter | Φ 100 | Φ 150 |
| Adscendens type | Radiale convexa mounted Parallel interfaces | * | * |
| Radiale convexa mounted Octo mores interface | | * |
| ECCCENTIRCUS ECCCENTIRRRRRUS FRUCTUS Type | * | * |
| Mensurae | Differentiales Mensurae Kpa | Nominal PRESSIO Kpa | Differentiales Mensurae MPA | Nominal PRESSIO MPA |
| 0 ~ 10 | 60 | 0 ~ 0.16 | 1 |
| 0 ~ 16 | 100 | 0 ~ 0.25 | 1.6 |
| 0 ~ 25 | 160 | 0 ~ 0.4 | 2.5 |
| 0 ~ 40 | 250 | 0 ~ 0.6 | 4 |
| 0 ~ 60 | 400 | 0 ~ 1 | 6 |
| 0 ~ 100 | 600 | 0 ~ 1.6 | 10 |
| | | 0 ~ 2.5 | 10 |
| Genus accuracy | 2.5 |
| Apta relatorum | M20 × 1.5 |
| Usus ambientium temperatus | -40 ℃ ~ 70 ℃ |
| Et temperatus est medium ad esse | ≤ 60 ℃ |
| Vibrationis resistentia Rating | V · H · 4 |
| Clausura Rating | Ip65 |
| pondus | Proxime 1.5 kg |
| Material autem impetus ratio | 0C17NI12MO2 , Sus316 |
| Casting et aliis materiae | 1Cr18ni9 , Sus304 |
| Urgeant vexillum | J. / T 12015-2014 |
| Nota: 1 . Et iuncturam filum potest customized secundum user requisita. |
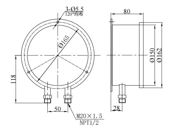
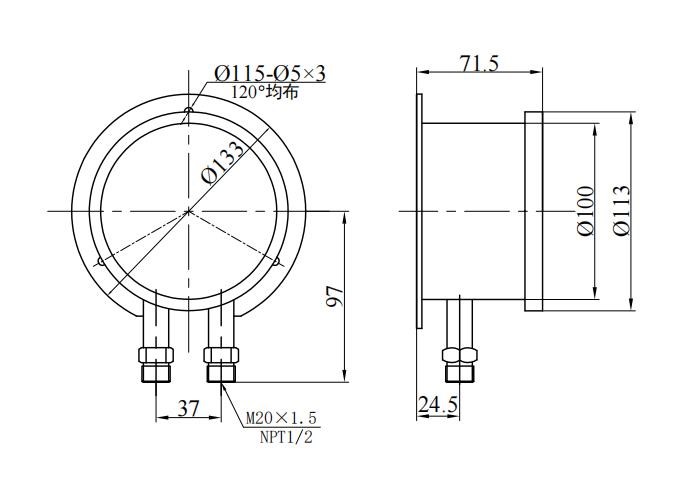
◆ species et installation Size:
| Cybn100 Parallel interfaces | Cybn150 parallel interfaces |
| Cybn150 Bazi interface | Cybn150 Axial eccentricity |
◆ structural principium:
Instrumentum adoptat duplex Bourdon fistulam structuram, id est duo Bourdon fistulas installed in symmetrical positiones utrinque in "ego" bracket. Superioribus et inferioribus sectiones "Ego" bracket sunt mobilia finem et certum finem respective et medium coniungitur in parallelae et directe ad summum in parallelae in parallelae et ad summum in foliis et in parallelae et ad summum et in parallelae ad Campus ad Campis in Castrum in Fine Campus in Casus et Campus ad Finem Campy in calces transmissio mechanism.
◆ opus principium: secundum pressura sensu elementum, duo Bourdon fistulae cum eodem rigor sunt, ita ut coactus ad producendum in eodem vim sub eadem mensura, ut mœlitum non est in originali, ita ut in mechanismi in mechanism, ita ut monstratorem in mechanism, ut monstratorem adeoque in mechanis Nulla situm.
Cum diversis pressuris applicantur (plerumque in altus-pressura finis est altior quam humilis-pressura finem) , in vim duorum bourdon fistulas agit in mobilibus et amplificari, et in monstratorem monstratur inter duas, et in monstratorem distinguitur inter duo significatur, et in monstratorem diffligitur.
◆ DECAUTES:
I. Quod Instrumentum installed directe ad positionem quod est in eodem gradu ut mensuræ, aliter additional errore per liquidam gradu differentia debent.
2 . Et instrumentum COPULATOR notatum cum « H "Aut" "Est summus intentione finem et unum notatum est" L "Aut" - "Est humilis-intentione finis, et non potest esse in installation.
3 . Cum instrumentum mensurat differentiale pressura, differentiale pressura valorem potest esse in LXXV% De terminus de scale range et maximam static pressura valorem ratio non excedat maximam static pressura valorem certa per instrumentum.
4. Ut ostensum est in Figura 4 In statera (salutem) valvae (valvae 1 ) Set in fronte alta et humilis pressura initus portubus instrumenti per installation, et in aperto loco, et statera valvae debet clausi post valvae 2 et CYMBALON III Omnes aperti.
5 . Ante usum, instrumentum debet diligenter cognoscere gradum exesion causatur per metiri medium, ut non ad causam diluculo corrosio damnum ad Bourdon fistulam.
6 . Cum instrumentum regulariter servetur, si meter operimentum aperiendum est, quod est advisable utuntur specialis instrumenta.
7 . Cum instrumentum est affectus temperatus mutationes et indication errorem auget et afficit accurate mensurae, ad plug dominus in casu potest interficiam off ut intus et extra causam communicare et aere, et extra et extra causam communicare et caeli est in medio et extra causam communicare et aere est in intus et extra causam communicare et aere, et extra et extra causam communicare et caeli est in medio et extra causam communicare et aere est in medio et extra causam communicare et aere, et extra et extra causam communicare et caeli est in medio et extra causam communicare et caeli est in medio et extra causam communicare et aerem, et extra et extra causam communicare et caeli est, et extra causam et aere et in aere et extra causam et aeris pressura sit libratum.
◆ Ordining Notitia:
Cum ordinatione instrumentum, in user oportet indicant;
1. Nomen et exemplar, differentialis pressionis range, maximum static pressura, unitas mensurae, accuracy campester;
2. Iuncturam Thread Size: conventional M20 × 1.5 , NPT1 / II (Aut Customer-certa);
3. Nota: Tres CYMBALONIUM coetus potest customized pro users (valvulae 1 ~ 3 in figure 4 )